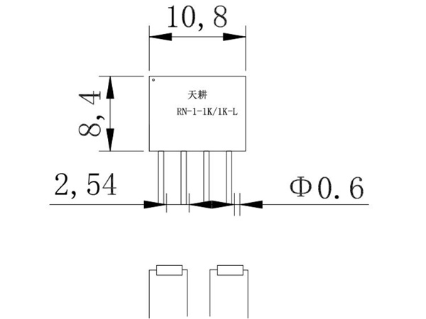
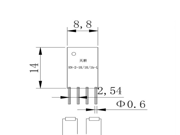
金属箔电阻分压器,是在一个电阻芯片上,同时光刻出两个或几个不同的电阻。实现了电阻跟踪稳定性高,同时保持了金属箔电阻的所以优良特点。金属箔电阻网络广泛应用于军事,航空,航天,自动测试设备,医疗,微分放大器,数字电压表的增益定义电阻,消防控制系统,燃油计量系统,A-D,D-A 转换,比率和比率匹配网络,电阻求和网络等。该网络单个电阻功率 0.5W,跟踪温度系数 0.5PPM.精度跟踪 0.005%。

注:不同阻值的产品,分压器可以通过放大产品体积,温度系数跟踪到 1ppm 内。
高压金属箔分压器,要根据阻值和电压高低,评估设计!






